


• служба доставки «Нова Пошта»;
• самовивіз із магазину (м.Черкаси).
Способи оплати:
• безготівковий розрахунок (Приват Банк);
• післяплата (оплата при отриманні);
• безготівковий розрахунок + післяплата;
• готівковий розрахунок у магазині.
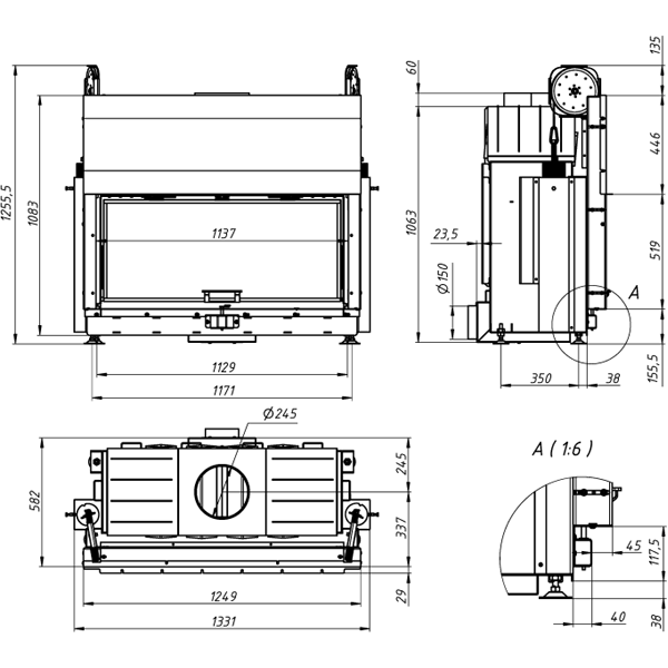
| Тип топки | з повітряним опаленням |
|---|---|
| Конфігурація | одностороння |
| Скло | пряме |
| Відкриття дверцят | підйомне |
| Матеріал | сталь |
| Потужність | 17 кВт |
| S приміщення | 170 м² |
| Ø димоходу | 250 мм |
| Шибер | ні |
| Висота | 1256 мм |
| Ширина | 1331 мм |
| Глибина | 611 мм |
| Вага | 366 кг |
| ККД | 80 % |
| Гарантія | 5 років |
| Країна | Україна |

| Тип топки | з повітряним опаленням |
|---|---|
| Конфігурація | кутова |
| Скло | пряме |
| Відкриття дверцят | бокове |
| Матеріал | чавун |
| Потужність | 17 кВт |
| S приміщення | 170 м² |
| Ø димоходу | 200 мм |
| Шибер | так |
| Висота | 785 мм |
| Ширина | 700 мм |
| Глибина | 420 мм |
| Вага | 141 кг |
| ККД | 74 % |
| Гарантія | 5 років |
| Країна | Польща |

| Тип топки | з повітряним опаленням |
|---|---|
| Конфігурація | тристороння |
| Скло | тристороннє |
| Відкриття дверцят | підйомне |
| Матеріал | сталь |
| Потужність | 7 кВт |
| S приміщення | 70 м² |
| Ø димоходу | 160 мм |
| Шибер | так |
| Висота | 1245 мм |
| Ширина | 752 мм |
| Глибина | 515 мм |
| Вага | 188 кг |
| ККД | 80 % |
| Гарантія | 5 років |
| Країна | Польща |

| Тип топки | з повітряним опаленням |
|---|---|
| Конфігурація | одностороння |
| Скло | пряме |
| Відкриття дверцят | бокове |
| Матеріал | сталь |
| Потужність | 9 кВт |
| S приміщення | 90 м² |
| Ø димоходу | 160 мм |
| Шибер | ні |
| Висота | 1313 мм |
| Ширина | 791 мм |
| Глибина | 412 мм |
| Вага | 170 кг |
| ККД | 78 % |
| Гарантія | 5 років |
| Країна | Польща |

| Тип топки | з повітряним опаленням |
|---|---|
| Конфігурація | одностороння |
| Скло | пряме |
| Відкриття дверцят | бокове |
| Матеріал | сталь |
| Потужність | 14 кВт |
| S приміщення | 140 м² |
| Ø димоходу | 200 мм |
| Шибер | ні |
| Висота | 1049 мм |
| Ширина | 777 мм |
| Глибина | 497 мм |
| Вага | 144 кг |
| ККД | 83 % |
| Гарантія | 5 років |
| Країна | Польща |

| Тип топки | з повітряним опаленням |
|---|---|
| Конфігурація | кутова |
| Скло | кутове |
| Відкриття дверцят | підйомне |
| Матеріал | сталь |
| Потужність | 10 кВт |
| S приміщення | 100 м² |
| Ø димоходу | 200 мм |
| Шибер | так |
| Висота | 1437 мм |
| Ширина | 862 мм |
| Глибина | 607 мм |
| Вага | 264 кг |
| ККД | 80 % |
| Гарантія | 5 років |
| Країна | Польща |

| Тип топки | з повітряним опаленням |
|---|---|
| Конфігурація | одностороння |
| Скло | пряме |
| Відкриття дверцят | бокове |
| Матеріал | сталь |
| Потужність | 16 кВт |
| S приміщення | 160 м² |
| Ø димоходу | 200 мм |
| Шибер | так |
| Висота | 986 мм |
| Ширина | 1027 мм |
| Глибина | 450 мм |
| Вага | 195 кг |
| ККД | 83 % |
| Гарантія | 5 років |
| Країна | Польща |

| Тип топки | з повітряним опаленням |
|---|---|
| Конфігурація | одностороння |
| Скло | пряме |
| Відкриття дверцят | бокове |
| Матеріал | чавун |
| Потужність | 16 кВт |
| S приміщення | 160 м² |
| Ø димоходу | 200 мм |
| Шибер | так |
| Висота | 810 мм |
| Ширина | 652 мм |
| Глибина | 540 мм |
| Вага | 149 кг |
| ККД | 70 % |
| Гарантія | 5 років |
| Країна | Польща |

| Тип топки | з повітряним опаленням |
|---|---|
| Конфігурація | кутова |
| Скло | кутове |
| Відкриття дверцят | підйомне |
| Матеріал | сталь |
| Потужність | 11 кВт |
| S приміщення | 110 м² |
| Ø димоходу | 200 мм |
| Шибер | ні |
| Висота | 1231 мм |
| Ширина | 814 мм |
| Глибина | 600 мм |
| Вага | 186 кг |
| ККД | 83 % |
| Гарантія | 5 років |
| Країна | Польща |

| Тип топки | з повітряним опаленням |
|---|---|
| Конфігурація | кутова |
| Скло | пряме |
| Відкриття дверцят | бокове |
| Матеріал | чавун |
| Потужність | 10 кВт |
| S приміщення | 100 м² |
| Ø димоходу | 200 мм |
| Шибер | так |
| Висота | 664 мм |
| Ширина | 692 мм |
| Глибина | 491 мм |
| Вага | 137 кг |
| ККД | 75 % |
| Гарантія | 5 років |
| Країна | Франція |

| Тип топки | з повітряним опаленням |
|---|---|
| Конфігурація | одностороння |
| Скло | пряме |
| Відкриття дверцят | бокове |
| Матеріал | сталь |
| Потужність | 8 кВт |
| S приміщення | 80 м² |
| Ø димоходу | 200 мм |
| Шибер | так |
| Висота | 1208 мм |
| Ширина | 846 мм |
| Глибина | 366 мм |
| Вага | 185 кг |
| ККД | 80 % |
| Гарантія | 5 років |
| Країна | Польща |

| Тип топки | з повітряним опаленням |
|---|---|
| Конфігурація | одностороння |
| Скло | пряме |
| Відкриття дверцят | підйомне |
| Матеріал | сталь |
| Потужність | 17 кВт |
| S приміщення | 170 м² |
| Ø димоходу | 250 мм |
| Шибер | ні |
| Висота | 1256 мм |
| Ширина | 1331 мм |
| Глибина | 611 мм |
| Вага | 366 кг |
| ККД | 80 % |
| Гарантія | 5 років |
| Країна | Україна |

| Тип топки | з повітряним опаленням |
|---|---|
| Конфігурація | кутова |
| Скло | пряме |
| Відкриття дверцят | бокове |
| Матеріал | чавун |
| Потужність | 17 кВт |
| S приміщення | 170 м² |
| Ø димоходу | 200 мм |
| Шибер | так |
| Висота | 785 мм |
| Ширина | 700 мм |
| Глибина | 420 мм |
| Вага | 141 кг |
| ККД | 74 % |
| Гарантія | 5 років |
| Країна | Польща |

| Тип топки | з повітряним опаленням |
|---|---|
| Конфігурація | кутова |
| Скло | пряме |
| Відкриття дверцят | бокове |
| Матеріал | чавун |
| Потужність | 16 кВт |
| S приміщення | 160 м² |
| Ø димоходу | 200 мм |
| Шибер | так |
| Висота | 810 мм |
| Ширина | 665 мм |
| Глибина | 523 мм |
| Вага | 149 кг |
| ККД | 70 % |
| Гарантія | 5 років |
| Країна | Польща |

| Тип печі | з повітряним опаленням |
|---|---|
| Матеріал | сталь |
| Потужність | 8 кВт |
| S приміщення | 80 м² |
| Ø димоходу | 80 мм |
| Скло | так |
| Полиця для дров | ні |
| Висота | 1130 мм |
| Ширина | 1060 мм |
| Глибина | 293 мм |
| Вага | 146 кг |
| ККД | 93 % |
| Гарантія | 5 років |
| Країна | Польща |

| Тип топки | з повітряним опаленням |
|---|---|
| Конфігурація | тунельна |
| Скло | пряме |
| Відкриття дверцят | бокове/бокове |
| Матеріал | сталь |
| Потужність | 12 кВт |
| S приміщення | 120 м² |
| Ø димоходу | 180 мм |
| Шибер | ні |
| Висота | 1142 мм |
| Ширина | 895 мм |
| Глибина | 538 мм |
| Вага | 210 кг |
| ККД | 80 % |
| Гарантія | 5 років |
| Країна | Україна |

| Тип топки | з повітряним опаленням |
|---|---|
| Конфігурація | кутова |
| Скло | кутове |
| Відкриття дверцят | підйомне |
| Матеріал | чавун |
| Потужність | 18 кВт |
| S приміщення | 180 м² |
| Ø димоходу | 200 мм |
| Шибер | так |
| Висота | 1195 мм |
| Ширина | 926 мм |
| Глибина | 625 мм |
| Вага | 256 кг |
| ККД | 79 % |
| Гарантія | 5 років |
| Країна | Польща |

| Тип топки | з водяним контуром |
|---|---|
| Конфігурація | кутова |
| Скло | кутове |
| Відкриття дверцят | підйомне |
| Матеріал | сталь |
| Потужність | 17 кВт |
| S приміщення | 170 м² |
| Ø димоходу | 200 мм |
| Шибер | ні |
| Висота | 1330 мм |
| Ширина | 904 мм |
| Глибина | 655 мм |
| Вага | 240 кг |
| ККД | 82 % |
| Гарантія | 5 років |
| Країна | Польща |

| Тип топки | з повітряним опаленням |
|---|---|
| Конфігурація | кутова |
| Скло | кутове |
| Відкриття дверцят | бокове |
| Матеріал | чавун |
| Потужність | 16 кВт |
| S приміщення | 160 м² |
| Ø димоходу | 200 мм |
| Шибер | так |
| Висота | 973 мм |
| Ширина | 729 мм |
| Глибина | 516 мм |
| Вага | 140 кг |
| ККД | 70 % |
| Гарантія | 5 років |
| Країна | Польща |

| Тип топки | з повітряним опаленням |
|---|---|
| Конфігурація | одностороння |
| Скло | пряме |
| Відкриття дверцят | бокове |
| Матеріал | чавун |
| Потужність | 16 кВт |
| S приміщення | 160 м² |
| Ø димоходу | 200 мм |
| Шибер | так |
| Висота | 737 мм |
| Ширина | 750 мм |
| Глибина | 417 мм |
| Вага | 125 кг |
| ККД | 73 % |
| Гарантія | 5 років |
| Країна | Польща |

| Тип топки | з повітряним опаленням |
|---|---|
| Конфігурація | кутова |
| Скло | пряме |
| Відкриття дверцят | бокове |
| Матеріал | чавун |
| Потужність | 16 кВт |
| S приміщення | 160 м² |
| Ø димоходу | 200 мм |
| Шибер | так |
| Висота | 810 мм |
| Ширина | 665 мм |
| Глибина | 523 мм |
| Вага | 149 кг |
| ККД | 70 % |
| Гарантія | 5 років |
| Країна | Польща |