


• служба доставки «Нова Пошта»;
• самовивіз із магазину (м.Черкаси).
Способи оплати:
• безготівковий розрахунок (Приват Банк);
• післяплата (оплата при отриманні);
• безготівковий розрахунок + післяплата;
• готівковий розрахунок у магазині.
| Тип топки | з повітряним опаленням |
|---|---|
| Конфігурація | одностороння |
| Скло | пряме |
| Відкриття дверцят | бокове |
| Матеріал | сталь |
| Потужність | 10 кВт |
| S приміщення | 100 м² |
| Ø димоходу | 150 мм |
| Шибер | ні |
| Висота | 1146 мм |
| Ширина | 704 мм |
| Глибина | 593 мм |
| Вага | 151 кг |
| ККД | 80 % |
| Гарантія | 5 років |
| Країна | Україна |

| Тип топки | з повітряним опаленням |
|---|---|
| Конфігурація | одностороння |
| Скло | пряме |
| Відкриття дверцят | бокове |
| Матеріал | чавун |
| Потужність | 18 кВт |
| S приміщення | 180 м² |
| Ø димоходу | 200 мм |
| Шибер | ні |
| Висота | 638 мм |
| Ширина | 795 мм |
| Глибина | 473 мм |
| Вага | 151 кг |
| ККД | 77 % |
| Гарантія | 5 років |
| Країна | Франція |

| Тип топки | з повітряним опаленням |
|---|---|
| Конфігурація | кутова |
| Скло | кутове |
| Відкриття дверцят | підйомне |
| Матеріал | сталь |
| Потужність | 10 кВт |
| S приміщення | 100 м² |
| Ø димоходу | 200 мм |
| Шибер | так |
| Висота | 1411 мм |
| Ширина | 792 мм |
| Глибина | 535 мм |
| Вага | 235 кг |
| ККД | 80 % |
| Гарантія | 5 років |
| Країна | Польща |

| Тип топки | з повітряним опаленням |
|---|---|
| Конфігурація | кутова |
| Скло | кутове |
| Відкриття дверцят | підйомне |
| Матеріал | сталь |
| Потужність | 10 кВт |
| S приміщення | 100 м² |
| Ø димоходу | 200 мм |
| Шибер | так |
| Висота | 1411 мм |
| Ширина | 792 мм |
| Глибина | 535 мм |
| Вага | 235 кг |
| ККД | 80 % |
| Гарантія | 5 років |
| Країна | Польща |

| Тип топки | з повітряним опаленням |
|---|---|
| Конфігурація | кутова |
| Скло | пряме |
| Відкриття дверцят | бокове |
| Матеріал | чавун |
| Потужність | 14 кВт |
| S приміщення | 140 м² |
| Ø димоходу | 200 мм |
| Шибер | так |
| Висота | 735 мм |
| Ширина | 730 мм |
| Глибина | 420 мм |
| Вага | 143 кг |
| ККД | 72 % |
| Гарантія | 5 років |
| Країна | Польща |

| Тип топки | з повітряним опаленням |
|---|---|
| Конфігурація | одностороння |
| Скло | пряме |
| Відкриття дверцят | бокове |
| Матеріал | чавун |
| Потужність | 18 кВт |
| S приміщення | 180 м² |
| Ø димоходу | 230 мм |
| Шибер | ні |
| Висота | 949 мм |
| Ширина | 1100 мм |
| Глибина | 465 мм |
| Вага | 215 кг |
| ККД | 70 % |
| Гарантія | 5 років |
| Країна | Франція |

| Тип топки | з повітряним опаленням |
|---|---|
| Конфігурація | кутова |
| Скло | кутове |
| Відкриття дверцят | підйомне |
| Матеріал | чавун |
| Потужність | 18 кВт |
| S приміщення | 180 м² |
| Ø димоходу | 200 мм |
| Шибер | так |
| Висота | 1195 мм |
| Ширина | 926 мм |
| Глибина | 625 мм |
| Вага | 256 кг |
| ККД | 79 % |
| Гарантія | 5 років |
| Країна | Польща |

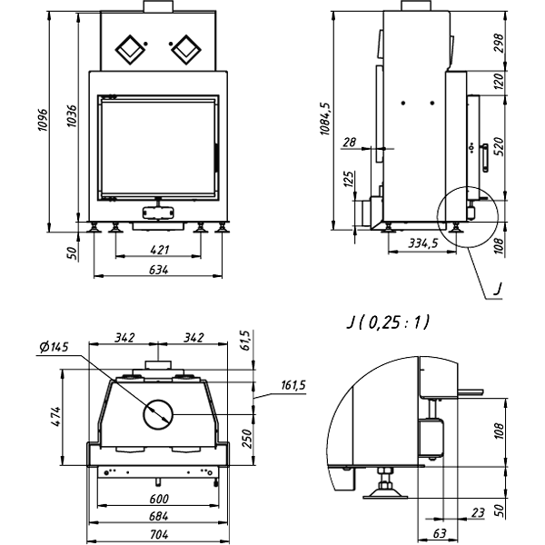
| Тип топки | з повітряним опаленням |
|---|---|
| Конфігурація | тунельна |
| Скло | пряме |
| Відкриття дверцят | бокове/бокове |
| Матеріал | сталь |
| Потужність | 14 кВт |
| S приміщення | 140 м² |
| Ø димоходу | 200 мм |
| Шибер | ні |
| Висота | 1133 мм |
| Ширина | 1022 мм |
| Глибина | 538 мм |
| Вага | 223 кг |
| ККД | 80 % |
| Гарантія | 5 років |
| Країна | Україна |

| Тип топки | з повітряним опаленням |
|---|---|
| Конфігурація | одностороння |
| Скло | пряме |
| Відкриття дверцят | підйомне |
| Матеріал | сталь |
| Потужність | 16 кВт |
| S приміщення | 160 м² |
| Ø димоходу | 200 мм |
| Шибер | ні |
| Висота | 1431 мм |
| Ширина | 983 мм |
| Глибина | 560 мм |
| Вага | 223 кг |
| ККД | 80 % |
| Гарантія | 5 років |
| Країна | Польща |

| Тип топки | з повітряним опаленням |
|---|---|
| Конфігурація | тристороння |
| Скло | тристороннє |
| Відкриття дверцят | підйомне |
| Матеріал | сталь |
| Потужність | 14 кВт |
| S приміщення | 140 м² |
| Ø димоходу | 250 мм |
| Шибер | ні |
| Висота | 1286 мм |
| Ширина | 1085 мм |
| Глибина | 560 мм |
| Вага | 280 кг |
| ККД | 80 % |
| Гарантія | 5 років |
| Країна | Україна |

| Тип топки | з повітряним опаленням |
|---|---|
| Конфігурація | одностороння |
| Скло | пряме |
| Відкриття дверцят | бокове |
| Матеріал | сталь |
| Потужність | 12 кВт |
| S приміщення | 120 м² |
| Ø димоходу | 200 мм |
| Шибер | так |
| Висота | 750 мм |
| Ширина | 900 мм |
| Глибина | 495 мм |
| Вага | 128 кг |
| ККД | 70 % |
| Гарантія | 5 років |
| Країна | Польща |

| Тип топки | з повітряним опаленням |
|---|---|
| Конфігурація | одностороння |
| Скло | пряме |
| Відкриття дверцят | бокове |
| Матеріал | сталь |
| Потужність | 10 кВт |
| S приміщення | 100 м² |
| Ø димоходу | 150 мм |
| Шибер | ні |
| Висота | 1146 мм |
| Ширина | 704 мм |
| Глибина | 593 мм |
| Вага | 151 кг |
| ККД | 80 % |
| Гарантія | 5 років |
| Країна | Україна |

| Тип топки | з повітряним опаленням |
|---|---|
| Конфігурація | одностороння |
| Скло | пряме |
| Відкриття дверцят | бокове |
| Матеріал | сталь |
| Потужність | 12 кВт |
| S приміщення | 120 м² |
| Ø димоходу | 180 мм |
| Шибер | ні |
| Висота | 1146 мм |
| Ширина | 904 мм |
| Глибина | 592 мм |
| Вага | 165 кг |
| ККД | 80 % |
| Гарантія | 5 років |
| Країна | Україна |

| Тип топки | з повітряним опаленням |
|---|---|
| Конфігурація | одностороння |
| Скло | пряме |
| Відкриття дверцят | бокове |
| Матеріал | сталь |
| Потужність | 8,5 кВт |
| S приміщення | 85 м² |
| Ø димоходу | 150 мм |
| Шибер | ні |
| Висота | 1180 мм |
| Ширина | 493 мм |
| Глибина | 522 мм |
| Вага | 146 кг |
| ККД | 80 % |
| Гарантія | 5 років |
| Країна | Україна |

| Тип топки | з водяним контуром |
|---|---|
| Конфігурація | кутова |
| Скло | кутове |
| Відкриття дверцят | бокове |
| Матеріал | сталь |
| Потужність | 17 кВт |
| S приміщення | 170 м² |
| Ø димоходу | 200 мм |
| Шибер | так |
| Висота | 993 мм |
| Ширина | 815 мм |
| Глибина | 585 мм |
| Вага | 196 кг |
| ККД | 75 % |
| Гарантія | 5 років |
| Країна | Польща |

| Тип топки | з повітряним опаленням |
|---|---|
| Конфігурація | одностороння |
| Скло | пряме |
| Відкриття дверцят | бокове |
| Матеріал | сталь |
| Потужність | 14 кВт |
| S приміщення | 140 м² |
| Ø димоходу | 200 мм |
| Шибер | ні |
| Висота | 1128 мм |
| Ширина | 1034 мм |
| Глибина | 593 мм |
| Вага | 220 кг |
| ККД | 80 % |
| Гарантія | 5 років |
| Країна | Україна |

| Тип топки | з повітряним опаленням |
|---|---|
| Конфігурація | одностороння |
| Скло | пряме |
| Відкриття дверцят | бокове |
| Матеріал | сталь |
| Потужність | 11,5 кВт |
| S приміщення | 115 м² |
| Ø димоходу | 180 мм |
| Шибер | ні |
| Висота | 1146 мм |
| Ширина | 804 мм |
| Глибина | 593 мм |
| Вага | 163 кг |
| ККД | 80 % |
| Гарантія | 5 років |
| Країна | Україна |

| Тип топки | з водяним контуром |
|---|---|
| Конфігурація | одностороння |
| Скло | пряме |
| Відкриття дверцят | бокове |
| Матеріал | чавун |
| Потужність | 18 кВт |
| S приміщення | 180 м² |
| Ø димоходу | 180 мм |
| Шибер | так |
| Висота | 885 мм |
| Ширина | 680 мм |
| Глибина | 460 мм |
| Вага | 162 кг |
| ККД | 79 % |
| Гарантія | 5 років |
| Країна | Польща |

| Тип топки | з водяним контуром |
|---|---|
| Конфігурація | одностороння |
| Скло | пряме |
| Відкриття дверцят | бокове |
| Матеріал | чавун |
| Потужність | 25 кВт |
| S приміщення | 250 м² |
| Ø димоходу | 200 мм |
| Шибер | так |
| Висота | 965 мм |
| Ширина | 795 мм |
| Глибина | 525 мм |
| Вага | 200 кг |
| ККД | 76 % |
| Гарантія | 5 років |
| Країна | Польща |

| Тип топки | з повітряним опаленням |
|---|---|
| Конфігурація | одностороння |
| Скло | пряме |
| Відкриття дверцят | бокове |
| Матеріал | чавун |
| Потужність | 16 кВт |
| S приміщення | 160 м² |
| Ø димоходу | 200 мм |
| Шибер | так |
| Висота | 810 мм |
| Ширина | 652 мм |
| Глибина | 482 мм |
| Вага | 149 кг |
| ККД | 70 % |
| Гарантія | 5 років |
| Країна | Польща |

| Тип топки | з водяним контуром |
|---|---|
| Конфігурація | одностороння |
| Скло | пряме |
| Відкриття дверцят | бокове |
| Матеріал | чавун |
| Потужність | 19 кВт |
| S приміщення | 190 м² |
| Ø димоходу | 180 мм |
| Шибер | так |
| Висота | 910 мм |
| Ширина | 680 мм |
| Глибина | 440 мм |
| Вага | 167 кг |
| ККД | 79 % |
| Гарантія | 5 років |
| Країна | Польща |