


• служба доставки «Нова Пошта»;
• самовивіз із магазину (м.Черкаси).
Способи оплати:
• безготівковий розрахунок (Приват Банк);
• післяплата (оплата при отриманні);
• безготівковий розрахунок + післяплата;
• готівковий розрахунок у магазині.
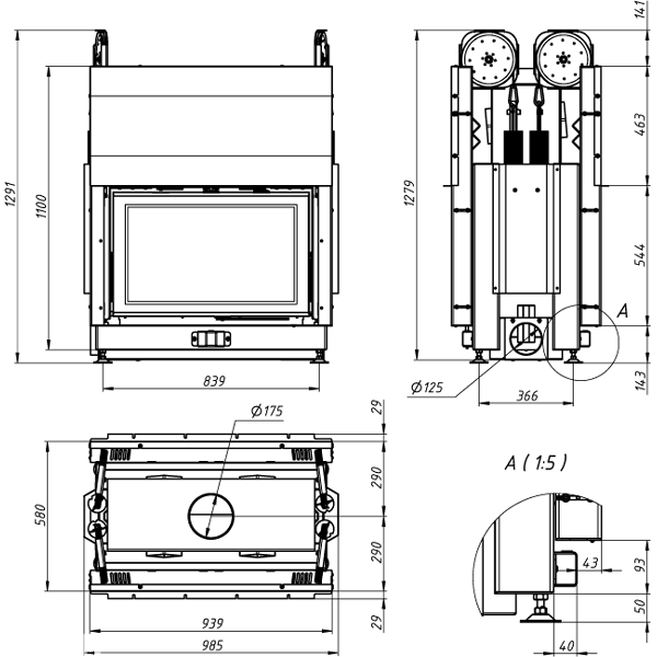
| Тип топки | з повітряним опаленням |
|---|---|
| Конфігурація | тунельна |
| Скло | пряме |
| Відкриття дверцят | підйомне/підйомне |
| Матеріал | сталь |
| Потужність | 12 кВт |
| S приміщення | 120 м² |
| Ø димоходу | 180 мм |
| Шибер | ні |
| Висота | 1291 мм |
| Ширина | 985 мм |
| Глибина | 618 мм |
| Вага | 375 кг |
| ККД | 80 % |
| Гарантія | 5 років |
| Країна | Україна |

| Тип топки | з повітряним опаленням |
|---|---|
| Конфігурація | тунельна |
| Скло | пряме |
| Відкриття дверцят | підйомне/бокове |
| Матеріал | сталь |
| Потужність | 13 кВт |
| S приміщення | 130 м² |
| Ø димоходу | 200 мм |
| Шибер | так |
| Висота | 1434 мм |
| Ширина | 1027 мм |
| Глибина | 627 мм |
| Вага | 290 кг |
| ККД | 80 % |
| Гарантія | 5 років |
| Країна | Польща |

| Тип топки | з повітряним опаленням |
|---|---|
| Конфігурація | кутова |
| Скло | кутове |
| Відкриття дверцят | бокове |
| Матеріал | чавун |
| Потужність | 18 кВт |
| S приміщення | 180 м² |
| Ø димоходу | 200 мм |
| Шибер | так |
| Висота | 973 мм |
| Ширина | 823 мм |
| Глибина | 524 мм |
| Вага | 199 кг |
| ККД | 79 % |
| Гарантія | 5 років |
| Країна | Польща |

| Тип топки | з повітряним опаленням |
|---|---|
| Конфігурація | одностороння |
| Скло | пряме |
| Відкриття дверцят | бокове |
| Матеріал | чавун |
| Потужність | 16 кВт |
| S приміщення | 160 м² |
| Ø димоходу | 200 мм |
| Шибер | так |
| Висота | 810 мм |
| Ширина | 700 мм |
| Глибина | 523 мм |
| Вага | 149 кг |
| ККД | 70 % |
| Гарантія | 5 років |
| Країна | Польща |

| Тип топки | з повітряним опаленням |
|---|---|
| Конфігурація | кутова |
| Скло | кутове |
| Відкриття дверцят | бокове |
| Матеріал | сталь |
| Потужність | 14,5 кВт |
| S приміщення | 145 м² |
| Ø димоходу | 200 мм |
| Шибер | ні |
| Висота | 1134 мм |
| Ширина | 898 мм |
| Глибина | 451 мм |
| Вага | 210 кг |
| ККД | 80 % |
| Гарантія | 5 років |
| Країна | Україна |

| Тип топки | з повітряним опаленням |
|---|---|
| Конфігурація | одностороння |
| Скло | пряме |
| Відкриття дверцят | бокове |
| Матеріал | сталь |
| Потужність | 7 кВт |
| S приміщення | 70 м² |
| Ø димоходу | 200 мм |
| Шибер | так |
| Висота | 1200 мм |
| Ширина | 484 мм |
| Глибина | 460 мм |
| Вага | 106 кг |
| ККД | 80 % |
| Гарантія | 5 років |
| Країна | Польща |

| Тип топки | з повітряним опаленням |
|---|---|
| Конфігурація | одностороння |
| Скло | пряме |
| Відкриття дверцят | бокове |
| Матеріал | сталь |
| Потужність | 21 кВт |
| S приміщення | 210 м² |
| Ø димоходу | 200 мм |
| Шибер | так |
| Висота | 1390 мм |
| Ширина | 1100 мм |
| Глибина | 500 мм |
| Вага | 169 кг |
| ККД | 76 % |
| Гарантія | 5 років |
| Країна | Іспанія |

| Тип топки | з повітряним опаленням |
|---|---|
| Конфігурація | тунельна |
| Скло | пряме |
| Відкриття дверцят | бокове/бокове |
| Матеріал | сталь |
| Потужність | 11,5 кВт |
| S приміщення | 115 м² |
| Ø димоходу | 180 мм |
| Шибер | ні |
| Висота | 1138 мм |
| Ширина | 780 мм |
| Глибина | 539 мм |
| Вага | 192 кг |
| ККД | 80 % |
| Гарантія | 5 років |
| Країна | Україна |

| Тип топки | з повітряним опаленням |
|---|---|
| Конфігурація | одностороння |
| Скло | пряме |
| Відкриття дверцят | бокове |
| Матеріал | сталь |
| Потужність | 10 кВт |
| S приміщення | 100 м² |
| Ø димоходу | 200 мм |
| Шибер | так |
| Висота | 1407 мм |
| Ширина | 679 мм |
| Глибина | 521 мм |
| Вага | 200 кг |
| ККД | 80 % |
| Гарантія | 5 років |
| Країна | Польща |

| Тип топки | з повітряним опаленням |
|---|---|
| Конфігурація | кутова |
| Скло | кутове |
| Відкриття дверцят | бокове |
| Матеріал | чавун |
| Потужність | 16 кВт |
| S приміщення | 160 м² |
| Ø димоходу | 200 мм |
| Шибер | так |
| Висота | 772 мм |
| Ширина | 690 мм |
| Глибина | 492 мм |
| Вага | 142 кг |
| ККД | 71 % |
| Гарантія | 5 років |
| Країна | Польща |

| Тип топки | з повітряним опаленням |
|---|---|
| Конфігурація | тунельна |
| Скло | пряме |
| Відкриття дверцят | бокове/бокове |
| Матеріал | сталь |
| Потужність | 12 кВт |
| S приміщення | 120 м² |
| Ø димоходу | 200 мм |
| Шибер | так |
| Висота | 1291 мм |
| Ширина | 654 мм |
| Глибина | 630 мм |
| Вага | 165 кг |
| ККД | 80 % |
| Гарантія | 5 років |
| Країна | Польща |

| Тип топки | з повітряним опаленням |
|---|---|
| Конфігурація | тунельна |
| Скло | пряме |
| Відкриття дверцят | підйомне/підйомне |
| Матеріал | сталь |
| Потужність | 12 кВт |
| S приміщення | 120 м² |
| Ø димоходу | 180 мм |
| Шибер | ні |
| Висота | 1291 мм |
| Ширина | 985 мм |
| Глибина | 618 мм |
| Вага | 375 кг |
| ККД | 80 % |
| Гарантія | 5 років |
| Країна | Україна |

| Тип печі | з повітряним опаленням |
|---|---|
| Матеріал | сталь |
| Потужність | 6 кВт |
| S приміщення | 60 м² |
| Ø димоходу | 120 мм |
| Скло | ні |
| Полиця для дров | ні |
| Висота | 663 мм |
| Ширина | 391 мм |
| Глибина | 667 мм |
| Вага | 65 кг |
| ККД | 75 % |
| Гарантія | 1 рік |
| Країна | Україна |

| Тип топки | з повітряним опаленням |
|---|---|
| Конфігурація | чотиристороння |
| Скло | пряме |
| Відкриття дверцят | бокове/бокове |
| Матеріал | чавун |
| Потужність | 16 кВт |
| S приміщення | 160 м² |
| Ø димоходу | 200 мм |
| Шибер | так |
| Висота | 810 мм |
| Ширина | 876 мм |
| Глибина | 607 мм |
| Вага | 149 кг |
| ККД | 70 % |
| Гарантія | 5 років |
| Країна | Польща |

| Тип топки | з повітряним опаленням |
|---|---|
| Конфігурація | тунельна |
| Скло | пряме |
| Відкриття дверцят | підйомне/підйомне |
| Матеріал | сталь |
| Потужність | 14 кВт |
| S приміщення | 140 м² |
| Ø димоходу | 200 мм |
| Шибер | ні |
| Висота | 1291 мм |
| Ширина | 1131 мм |
| Глибина | 638 мм |
| Вага | 383 кг |
| ККД | 80 % |
| Гарантія | 5 років |
| Країна | Україна |

| Тип топки | з повітряним опаленням |
|---|---|
| Конфігурація | кутова |
| Скло | кутове |
| Відкриття дверцят | бокове |
| Матеріал | чавун |
| Потужність | 16 кВт |
| S приміщення | 160 м² |
| Ø димоходу | 200 мм |
| Шибер | так |
| Висота | 772 мм |
| Ширина | 690 мм |
| Глибина | 492 мм |
| Вага | 142 кг |
| ККД | 71 % |
| Гарантія | 5 років |
| Країна | Польща |

| Тип печі | з повітряним опаленням |
|---|---|
| Матеріал | сталь |
| Потужність | 14 кВт |
| S приміщення | 140 м² |
| Ø димоходу | 120 мм |
| Скло | ні |
| Полиця для дров | ні |
| Висота | 663 мм |
| Ширина | 391 мм |
| Глибина | 867 мм |
| Вага | 78 кг |
| ККД | 75 % |
| Гарантія | 1 рік |
| Країна | Україна |

| Тип печі | з повітряним опаленням |
|---|---|
| Матеріал | чавун |
| Потужність | 11 кВт |
| S приміщення | 110 м² |
| Ø димоходу | 130 мм |
| Скло | так |
| Полиця для дров | ні |
| Висота | 712 мм |
| Ширина | 681 мм |
| Глибина | 524 мм |
| Вага | 140 кг |
| ККД | 77 % |
| Гарантія | 5 років |
| Країна | Польща |

| Застосування облицювання | камінна топка |
|---|---|
| Виконання | пристінне |
| Матеріал | мармур |
| Розміри топки (в/ш) | 520x700 мм |
| Висота | 1060 мм |
| Ширина | 1400 мм |
| Глибина | 680 мм |
| Вага | 350 кг |
| Гарантія | 1 рік |
| Країна | Україна |

| Тип печі | з повітряним опаленням |
|---|---|
| Матеріал | чавун |
| Потужність | 14 кВт |
| S приміщення | 140 м² |
| Ø димоходу | 150 мм |
| Скло | так |
| Полиця для дров | ні |
| Висота | 808 мм |
| Ширина | 775 мм |
| Глибина | 572 мм |
| Вага | 180 кг |
| ККД | 77 % |
| Гарантія | 5 років |
| Країна | Польща |

| Тип печі | з повітряним опаленням |
|---|---|
| Матеріал | чавун |
| Потужність | 9 кВт |
| S приміщення | 90 м² |
| Ø димоходу | 150 мм |
| Скло | так |
| Полиця для дров | ні |
| Висота | 695 мм |
| Ширина | 574 мм |
| Глибина | 474 мм |
| Вага | 120 кг |
| ККД | 66 % |
| Гарантія | 5 років |
| Країна | Польща |